Мы используем cookie для наилучшего представления нашего сайта. Подробнее об этом в Политике конфиденциальности.
Ок

Бердск

Ваш город:
Бердск (Новосибирская область)?
Нет
Да
Каталог
Каталог Написать в WhatsApp
Мотоэкипировка

Электрические компоненты 4-Х ТАКТНОГО ПЛМ MERCURY 4 Серийный номер от 0R067090 и выше

Электрические компоненты 4-Х ТАКТНОГО ПЛМ MERCURY 4 Серийный номер от 0R067090 и выше в Новосибирске: актуальный каталог, цены, фото, описание. Купите электрические компоненты 4-х тактного плм mercury 4 серийный номер от 0r067090 и выше в кредит – оформите заявку онлайн за 1 минуту!

Оригинальные запчасти

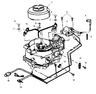
Артикул НАИМЕНОВАНИЕ Кол-во деталей в узле Примечание Наличие Цена Аналоги Фото
1 803557T01 FLYWHEEL

Под заказ

1

Под заказ

уточнить

Купить
2 803557T02 FLYWHEEL

Под заказ

1

Под заказ

уточнить

Купить
3 803559T07 Катушка зажигания F4-F6 (COIL-IGNITION)

Под заказ

1

Под заказ

уточнить

Купить
4 879194264 Болт (BOLT)

Под заказ

2

Под заказ

уточнить

Купить
5 803560001 Надсвечник (BOOT)

Под заказ

1

Под заказ

уточнить

Купить
6 803560003 PROTECTOR

Под заказ

1

Под заказ

уточнить

Купить
7 16080 WASHER, RECTIFIER SCREW

Под заказ

4

Под заказ

уточнить

Купить
8 16060 CLAMP, ALTERNATOR

Под заказ

1

Под заказ

уточнить

Купить
9 8M0056334 Генератор (ALTERNATOR)

Под заказ

1

Под заказ

уточнить

Купить
10 8M0130961 CLAMP

Под заказ

1

Под заказ

уточнить

Купить
11 8230427 BOLT, (M6 x 12)

Под заказ

1

Под заказ

уточнить

Купить
12 953951 CLAMP

Под заказ

1

Под заказ

уточнить

Купить
13 803562 WARNING LAMP

Под заказ

1

Под заказ

уточнить

Купить
14 823037A06 Стоп кнопка в сборе

Под заказ

1

Под заказ

уточнить

Купить

Нулевая цена не означает отсутствие товара. Оформите заказ, и менеджер сообщит вам цену и наличие товара, предварительно запросив их у поставщика

Главная Магазины
Корзина0
Профиль